The Modular multi-level converter (M2LC) is a fairly new technology. It can be considered thenext step in the evolution of the traditional cascaded H-bridge converter by which the cascaded cells do not require a rectified secondary of a transformer to sustain DC voltage.
The traditional M2LC control will not allow low frequency or DC operation of the converter unless special modulation techniques are added to the algorithm. However one of the many benefits of the M2LC is the ability to create a converter operating at an ultra high voltage (UHV) without the use of a transformer which introduces issues of isolation breakdown in the system.
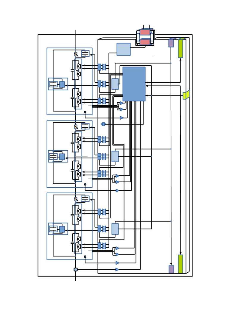
To date, the traditional approach in the design of the M2LC cell structure is to use 1200 or 1700 volt IGBT modules to control the switching of the cell capacitors. The capacitor type is typically a single 1100 volt film. This approach for the construction of the cell has been shown to be the most robust for energy conversion applications.
Given this traditional approach to M2LC design, a question is posed as to the validity of a design that would use lower voltage (600 volt) IGBT’s coupled with lower cost electrolytic capacitors (400-450 volt). We know instantly that such a design would require more control electronics. In addition, the use of low cost electrolytic capacitors, which process capacitance values that are much higher then the film capacitor per unit volume, would reduce the current rating of the converter due to degradation effects in the electrolyte.
The following paper will show that given these drawbacks, a case can be made for the use an M2LC that comprises these elements. In fact it will be shown that new applications for the M2LC can be realized with a converter constructed with these components.
